Incorporated
330 Club Springs Road
Elmwood, TN 38560
Phone: (615) 897-2011
Fax: (615) 897-2023
E-Mail:
contact@zena.net

 

Go to:

Online Store

 

Web Site Map

 

Company Info

Welder Info

 

More Photos

 

Previous Page

Plans for a Kubota L2350/L2500 Tractor Installation Kit

To fabricate your installation kit you will need the following materials:

  1. 1 ea. 3/8"x5" bolt
  2. 1 ea. 8mm x 4-1/2" bolt
  3. 1 ea. 8mm x 1-1/2" bolt
  4. 1 ea. 3/8" turnbuckle
  5. 1 ea. Gates V-belt #7500 (50") (NOTE that if you elect to use an idler pulley -- which we strongly recommend -- to improve belt wrap and reduce drive belt tension a longer belt will be required.)
  6. 24" of 1-3/16 x 1/4" steel bar stock
  7. 2-1/8" of 5/8" x 1/8" steel tubing (with an inside diameter of 3/8")
  8. A 5/8" x 1/4" circular spacer with a 5/16" diameter hole in the center
  9. A 3/4" x 3/16" circular spacer with a 5/16" diameter hole in the center
  10. 2 ea. 1/16" hair pin retainers
  11. Misc. washers and lock washers
  12. OPTIONAL - but strongly recommended: A 3.25" to 4" Flat Idler Pulley, used to improve belt wrap around the ZENA welding power generator's drive pulley. (Bracketing for this option is NOT shown here.)

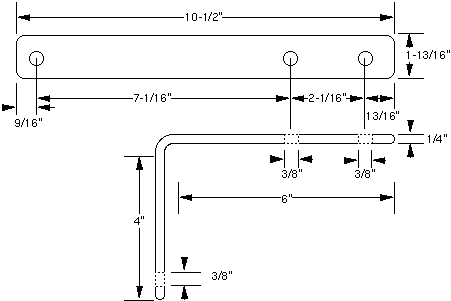
Step 1

Using a 10-1/2" portion of your bar stock, fabricate the bracket depicted here.

 

Alternator support / belt tensioning bracket

Step 2

Using a 8-5/32" portion of your bar stock, fabricate the bracket depicted here.

 

Rear alternator to welding power generator support bracket

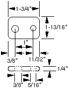
Step 3

Using a 1-3/4" portion of your bar stock, fabricate the bracket depicted here.

Front alternator to welding power generator support bracket

 

Front alternator to welding power generator support bracket


Step 4

Fabricate or purchase spacers as depicted here.

Bracket mounting spacers

 

Bracket mounting spacers

Step 5

Your 3/8" turnbuckle must me modified as shown here.

Modified turnbuckle

 

Modified turnbuckle

The fabrication of your installation kit parts is now complete.

Proceed with the installation of your mobile welding system.
 

 

<---- Go Back

  Go to Top of Page



ZENA is a trademark owned by ZENA, Inc. for its welding systems and related products.

US & Foreign Patents Pending

© Copyright 1998,1999, 2000 by ZENA, Incorporated. All rights reserved.

[an error occurred while processing this directive]